снежинка снежинка снежинка
Уцененные товары со скидкой до 80%
Подробнее
снежинка снежинка снежинка
Свяжитесь с нами
+7 (861) 205-01-52
Ваш город: Краснодар
Пн-Сб с 09:00 до 18:00
 
4.9 5

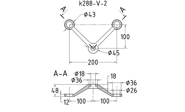
Cпайдер, литой,полированный V-200мм, AISI 304, 2х26х38, 1х18х36/40мм, нагрузки: 1кН, 2кН k288-V-2

2 906 ₽/шт
Товары-аналоги
Наличие:
Доставка день в день с нашего склада до ТК для отправки в ваш город
Одинцово
В наличии
СПб-Волковская
В наличии
Москва-Жулебино
Уточняйте у менеджера
КЗ-Алматы
В наличии
Екатеринбург
В наличии
Артикул
k288-V-2
Материал
AISI 304 (08Х18Н10)
Способ сборки
Самосбор
Особенности
Литой
Описание
Cпайдер, литой, полированный V-200мм, 2х26х38, 1х18х36/40мм, нагрузки: 1кН, 2кН. Марка стали - AISI 304
Назначение
Спайдер – крепеж для вертикального остекления, фасадного остекления, который крепко соединяет между собой стеклянные панели и крепит стекло к несущему металлическому каркасу. Металлические крестовины «паук» изготавливаются из высокопрочной легированной стали, благодаря которой изделие сохраняет свои физические и механические свойства при воздействии внешних разнообразных факторов. Этот вид крепежа используется для безрамного остекления, что позволяет сделать остекление не зависящие от бокового крепежа и сохранит внешний вид вашего фасада. Так же Спайдер идеален в случае необходимости ремонта, он позволяет легко демонтировать стекло и заменить его с минимальными трудозатратами. Спайдерные системы, обладают рядом преимуществ: долговечностью, технологичностью монтажа, высокими прочностными характеристиками. Спайдерная система применяется не только в остеклении фасадов, так же она используются в стеклянных козырьках, в дизайне интерьеров (перегородки, двери, стенды, витражи и даже декоративные потолки и полы). При установке спайдерной системы для крепления стекла используют рутели, которые после фиксации стекла крепятся к спайдерам. При изготовлении спайдеров предъявляют высокие требования к материалу, благодаря чему спайдер отвечает высокой механической прочности и антикоррозийной стойкости. Конструкция изготовлена так, что нагрузка распределяется равномерно, а запас прочности гарантирует надежность и безопасность всей конструкции. Благодаря использованию шарнирного рутеля k274, k634, k364в спайдерной системе нивелируется объемное расширение стекла при изменении температуры.
Доставка транспортной компанией ПЭК.

Адрес главного терминала: 350072, Краснодар, ул. Автомобильная, д. 3

Доставка транспортной компанией Деловые линии

Адрес основного филиала:ул. Александра Покрышкина, 2/12, Краснодар, Краснодарский край, 350005

Доставка транспортной компанией Байкал сервис

Адрес основного филиала: ул. Шоссе Нефтяников, д.38

Внимание: указаны адреса основных филиалов, в вашем городе их может располагаться гораздо больше, подробности уточняйте на сайте интересующей вас транспортной компании

Ваш отзыв может стать первым! Добавьте его, нажав на кнопку "Добавить отзыв"
Оцените продукт:
Артикул
k288-V-2
Материал
AISI 304 (08Х18Н10)
Способ сборки
Самосбор
Особенности
Литой
Описание
Cпайдер, литой, полированный V-200мм, 2х26х38, 1х18х36/40мм, нагрузки: 1кН, 2кН. Марка стали - AISI 304
Назначение
Спайдер – крепеж для вертикального остекления, фасадного остекления, который крепко соединяет между собой стеклянные панели и крепит стекло к несущему металлическому каркасу. Металлические крестовины «паук» изготавливаются из высокопрочной легированной стали, благодаря которой изделие сохраняет свои физические и механические свойства при воздействии внешних разнообразных факторов. Этот вид крепежа используется для безрамного остекления, что позволяет сделать остекление не зависящие от бокового крепежа и сохранит внешний вид вашего фасада. Так же Спайдер идеален в случае необходимости ремонта, он позволяет легко демонтировать стекло и заменить его с минимальными трудозатратами. Спайдерные системы, обладают рядом преимуществ: долговечностью, технологичностью монтажа, высокими прочностными характеристиками. Спайдерная система применяется не только в остеклении фасадов, так же она используются в стеклянных козырьках, в дизайне интерьеров (перегородки, двери, стенды, витражи и даже декоративные потолки и полы). При установке спайдерной системы для крепления стекла используют рутели, которые после фиксации стекла крепятся к спайдерам. При изготовлении спайдеров предъявляют высокие требования к материалу, благодаря чему спайдер отвечает высокой механической прочности и антикоррозийной стойкости. Конструкция изготовлена так, что нагрузка распределяется равномерно, а запас прочности гарантирует надежность и безопасность всей конструкции. Благодаря использованию шарнирного рутеля k274, k634, k364в спайдерной системе нивелируется объемное расширение стекла при изменении температуры.
Доставка транспортной компанией ПЭК.

Адрес главного терминала: 350072, Краснодар, ул. Автомобильная, д. 3

Доставка транспортной компанией Деловые линии

Адрес основного филиала:ул. Александра Покрышкина, 2/12, Краснодар, Краснодарский край, 350005

Доставка транспортной компанией Байкал сервис

Адрес основного филиала: ул. Шоссе Нефтяников, д.38

Внимание: указаны адреса основных филиалов, в вашем городе их может располагаться гораздо больше, подробности уточняйте на сайте интересующей вас транспортной компании

Ваш отзыв может стать первым! Добавьте его, нажав на кнопку "Добавить отзыв"
Оцените продукт:
Контроль качества
Обновление от 19.08.2025
Вместе с этим товаром покупают
Рутель под стекло 10-26 мм, шпилька М14, регулируемый, разборный (AISI 304) k269-6 купить в Краснодаре
k269-6
304
2 332 ₽/шт
Рутель под стекло 10-26 мм, шпилька М14, регулируемый, разборный (AISI 304) k269-6
I/2-спайдер-100 мм, AISI 304, 1х26х38, 1х18х36/40мм, нагрузки: 1кН, 2кН k288-I/2-2 купить в Краснодаре
k288-I/2-2
304
1 918 ₽/шт
I/2-спайдер-100 мм, AISI 304, 1х26х38, 1х18х36/40мм, нагрузки: 1кН, 2кН k288-I/2-2
I-спайдер-200мм, AISI 304, 2х26х38, 1х18х36/40мм, нагрузки: 1кН, 2кН k288-I-2 купить в Краснодаре
k288-I-2
304
1 740 ₽/шт
I-спайдер-200мм, AISI 304, 2х26х38, 1х18х36/40мм, нагрузки: 1кН, 2кН k288-I-2
Крепеж спайдера к плоскому основанию О-БОЛТ, оцин.(винт AISI 304) k299-2 купить в Краснодаре
k299-2
304
3 309 ₽/шт
Крепеж спайдера к плоскому основанию О-БОЛТ, оцин.(винт AISI 304) k299-2
Крепление стеклодержателя (рутеля) к стене под резьбу М14 (AISI304) k660 купить в Краснодаре
k660
304
3 659 ₽/шт
Крепление стеклодержателя (рутеля) к стене под резьбу М14 (AISI304) k660
Крепление ванты(тяги) козырька к стене (AISI304), литое, полированное k658 купить в Краснодаре
k658
304
3 475 ₽/шт
Крепление ванты(тяги) козырька к стене (AISI304), литое, полированное k658
Крепление стеклодержателя (рутеля) к ванте (серьга) (AISI304) k659 купить в Краснодаре
k659
304
3 115 ₽/шт
Крепление стеклодержателя (рутеля) к ванте (серьга) (AISI304) k659
Наконечник ванты (тяги) под резьбу М16 левый (AISI304) k661-L купить в Краснодаре
k661-L
304
2 681 ₽/шт
Наконечник ванты (тяги) под резьбу М16 левый (AISI304) k661-L
Наконечник ванты (тяги) под резьбу М16 правый (AISI304) k661-R купить в Краснодаре
k661-R
304
2 601 ₽/шт
Наконечник ванты (тяги) под резьбу М16 правый (AISI304) k661-R
Cпайдер, литой,полированный Y/2-141 мм, AISI 304, 1х26х38, 1х18х36/40мм, нагрузки: 1кН, 2кН k288-Y/2-2 купить в Краснодаре
k288-Y/2-2
304
3 101 ₽/шт
Cпайдер, литой,полированный Y/2-141 мм, AISI 304, 1х26х38, 1х18х36/40мм, нагрузки: 1кН, 2кН k288-Y/2-2
Рутель для крепления козырьков на ванты, разборный, для стекла 10-26 мм, нержавеющая сталь AISI 316, полированная k274-2 купить в Краснодаре
k274-2
316
5 011 ₽/шт
Рутель для крепления козырьков на ванты, разборный, для стекла 10-26 мм, нержавеющая сталь AISI 316, полированная k274-2
Основание спайдера О-БОЛТ, под плоскость, оцин.(винт AISI 304) k299 купить в Краснодаре
k299
304
3 974 ₽/шт
Основание спайдера О-БОЛТ, под плоскость, оцин.(винт AISI 304) k299
Рутель для вантового крепления козырьков, регулируемый, разборный, под стекло от 10 до 28 мм, полированный, диаметр внешнего кольца 52, шпилька М14 (AISI 304) k269-5 купить в Краснодаре
k269-5
304
2 553 ₽/шт
Рутель для вантового крепления козырьков, регулируемый, разборный, под стекло от 10 до 28 мм, полированный, диаметр внешнего кольца 52, шпилька М14 (AISI 304) k269-5
k668-16-L2 Вант (тяга) для козырька М16, 1000-2000 мм (AISI 304) купить в Краснодаре
k668-16-L2
304
6 804 ₽/шт
k668-16-L2 Вант (тяга) для козырька М16, 1000-2000 мм (AISI 304)
Стеклодержатель (рутель) под стекло от 16 до 24 мм, полированный (AISI 316) k274 купить в Краснодаре
k274
316
3 730 ₽/шт
Стеклодержатель (рутель) под стекло от 16 до 24 мм, полированный (AISI 316) k274
k668-16-L3 Вант (тяга) для козырька М16, 2000-3000мм (AISI 304) купить в Краснодаре
k668-16-L3
304
9 239 ₽/шт
k668-16-L3 Вант (тяга) для козырька М16, 2000-3000мм (AISI 304)
Крепление ванты(тяги) козырька к стойке алюминиевого фасада, AISI 304,литое,полированное, k610 купить в Краснодаре
k610
304
3 716 ₽/шт
Крепление ванты(тяги) козырька к стойке алюминиевого фасада, AISI 304,литое,полированное, k610
Спайдер-200мм Y-образный 3х26х38, 1х18х36/40мм, нагрузки: 1кН, 2кН (AISI 304) k288-Y купить в Краснодаре
k288-Y
304
2 882 ₽/шт
Спайдер-200мм Y-образный 3х26х38, 1х18х36/40мм, нагрузки: 1кН, 2кН (AISI 304) k288-Y
Спайдер-200 мм X-образный 4х26х38, 1х18х36/40 мм, нагрузки: 1кН, 2кН (AISI 304) k288-X купить в Краснодаре
k288-X
304
6 665 ₽/шт
Спайдер-200 мм X-образный 4х26х38, 1х18х36/40 мм, нагрузки: 1кН, 2кН (AISI 304) k288-X
Вант(тяга) для козырька М16, длина 1750мм (AISI 304) k668-16-1750 купить в Краснодаре
k668-16-1750
304
3 785 ₽/шт
Вант(тяга) для козырька М16, длина 1750мм (AISI 304) k668-16-1750
Популярные товары в этой категории
Пистолет для хим.анкера Bit Ф-1103 купить в Краснодаре
Ф-1103
19 000 ₽/шт
Пистолет для хим.анкера Bit Ф-1103
Паста Фламил 200 грамм для удаления загрязнений, потемнений и полировки царапин Ф-0819 купить в Краснодаре
Ф-0819
5 999 ₽/шт
Паста Фламил 200 грамм для удаления загрязнений, потемнений и полировки царапин Ф-0819
(DIN 975.A2) Шпилька нерж. М16 М-3962 купить в Краснодаре
М-3962
304
1 873 ₽/шт
(DIN 975.A2) Шпилька нерж. М16 М-3962
(DIN 975.Zn) Шпилька оц. М16 М-3954 купить в Краснодаре
М-3954
1 095 ₽/шт
(DIN 975.Zn) Шпилька оц. М16 М-3954
Хим.анкер  Bit-Stick 400 мл Ф-0799 купить в Краснодаре
Ф-0799
1 938 ₽/шт
Хим.анкер Bit-Stick 400 мл Ф-0799
(DIN 1587.A2) Колп. гайка нерж. М16 М-3212 купить в Краснодаре
М-3212
175 ₽/шт
(DIN 1587.A2) Колп. гайка нерж. М16 М-3212
Гайка для рутеля(стеклодержателя)М14, шаг резьбы 1,5, AISI 304 k650 купить в Краснодаре
k650
304
266 ₽/шт
Гайка для рутеля(стеклодержателя)М14, шаг резьбы 1,5, AISI 304 k650
(DIN 9021.Zn) Шайба оц. кузовная М16х50х3 М-3720 купить в Краснодаре
М-3720
22 ₽/шт
(DIN 9021.Zn) Шайба оц. кузовная М16х50х3 М-3720
Крепление стеклодержателя (рутеля) к ванте (серьга) (AISI304) k659 купить в Краснодаре
k659
304
3 115 ₽/шт
Крепление стеклодержателя (рутеля) к ванте (серьга) (AISI304) k659
Крепление стеклодержателя (рутеля) к стене под резьбу М14 (AISI304) k660 купить в Краснодаре
k660
304
3 659 ₽/шт
Крепление стеклодержателя (рутеля) к стене под резьбу М14 (AISI304) k660
Миксер для химии Ф-1102 купить в Краснодаре
Ф-1102
144 ₽/шт
Миксер для химии Ф-1102
Крепление ванты(тяги) козырька к стене (AISI304), литое, полированное k658 купить в Краснодаре
k658
304
3 475 ₽/шт
Крепление ванты(тяги) козырька к стене (AISI304), литое, полированное k658
Рутель под стекло 10-26 мм, шпилька М14, регулируемый, разборный (AISI 304) k269-6 купить в Краснодаре
k269-6
304
2 332 ₽/шт
Рутель под стекло 10-26 мм, шпилька М14, регулируемый, разборный (AISI 304) k269-6
Наконечник ванты (тяги) под резьбу М16 левый (AISI304) k661-L купить в Краснодаре
k661-L
304
2 681 ₽/шт
Наконечник ванты (тяги) под резьбу М16 левый (AISI304) k661-L
Наконечник ванты (тяги) под резьбу М16 правый (AISI304) k661-R купить в Краснодаре
k661-R
304
2 601 ₽/шт
Наконечник ванты (тяги) под резьбу М16 правый (AISI304) k661-R
I-спайдер-200мм, AISI 304, 2х26х38, 1х18х36/40мм, нагрузки: 1кН, 2кН k288-I-2 купить в Краснодаре
k288-I-2
304
1 740 ₽/шт
I-спайдер-200мм, AISI 304, 2х26х38, 1х18х36/40мм, нагрузки: 1кН, 2кН k288-I-2
Стеклодержатель (рутель) под стекло от 16 до 24 мм, полированный (AISI 316) k274 купить в Краснодаре
k274
316
3 730 ₽/шт
Стеклодержатель (рутель) под стекло от 16 до 24 мм, полированный (AISI 316) k274
k668-16-L2 Вант (тяга) для козырька М16, 1000-2000 мм (AISI 304) купить в Краснодаре
k668-16-L2
304
6 804 ₽/шт
k668-16-L2 Вант (тяга) для козырька М16, 1000-2000 мм (AISI 304)
k668-16-L3 Вант (тяга) для козырька М16, 2000-3000мм (AISI 304) купить в Краснодаре
k668-16-L3
304
9 239 ₽/шт
k668-16-L3 Вант (тяга) для козырька М16, 2000-3000мм (AISI 304)
Стеклодержатель (рутель) под стекло толщиной от 16 до 24 мм, полированный (AISI 304) k269 купить в Краснодаре
k269
304
2 543 ₽/шт
Стеклодержатель (рутель) под стекло толщиной от 16 до 24 мм, полированный (AISI 304) k269
Новинки категории
Рутель (стеклодержатель) для вантового крепления козырьков регулируемый разборный под стекло от 10 до 26 мм, полированный, диаметр внешнего кольца 50мм, шпилька М14х2мм AISI316 k274-3 купить в Краснодаре
k274-3
316
/шт
Рутель (стеклодержатель) для вантового крепления козырьков регулируемый разборный под стекло от 10 до 26 мм, полированный, диаметр внешнего кольца 50мм, шпилька М14х2мм AISI316 k274-3
Закладной кронштейн, Ст3 (закладная) k691 купить в Краснодаре
k691
17 130 ₽/шт
Закладной кронштейн, Ст3 (закладная) k691
Закладной кронштейн, Ст3 (закладная) k690 купить в Краснодаре
k690
26 160 ₽/шт
Закладной кронштейн, Ст3 (закладная) k690
Крепление рутеля к тяге (серьга) (AISI316) М14 k659-16-2 купить в Краснодаре
k659-16-2
316
4 857 ₽/шт
Крепление рутеля к тяге (серьга) (AISI316) М14 k659-16-2
Саморез для алюминиевого кондуктора 5,5х55мм,A2 k615-03-55 купить в Краснодаре
k615-03-55
304
62 ₽/шт
Саморез для алюминиевого кондуктора 5,5х55мм,A2 k615-03-55
Крепление рутеля к стене, двойное 250мм, фланец с тремя отверстиями, AISI 304 k612-3 купить в Краснодаре
k612-3
304
/шт
Крепление рутеля к стене, двойное 250мм, фланец с тремя отверстиями, AISI 304 k612-3
Комплект профиля козырькового анодированного, для стекла 20 мм (10+10 мм), 1000 мм  k300-20-1000 купить в Краснодаре
k300-20-1000
25 102 ₽/шт
Комплект профиля козырькового анодированного, для стекла 20 мм (10+10 мм), 1000 мм k300-20-1000
Комплект профиля козырькового анодированного, для стекла 16 мм (8+8 мм), 1000 мм  k300-16-1000 купить в Краснодаре
k300-16-1000
21 459 ₽/шт
Комплект профиля козырькового анодированного, для стекла 16 мм (8+8 мм), 1000 мм k300-16-1000
Вант (тяга) для козырька М10, длина 1450 мм AISI 304 k668-10-1450 купить в Краснодаре
k668-10-1450
304
4 963 ₽/шт
Вант (тяга) для козырька М10, длина 1450 мм AISI 304 k668-10-1450
Комплект профиля козырькового анодированного, для стекла 20 мм (10+10 мм), 3000 мм  k300-20-3000 купить в Краснодаре
k300-20-3000
69 181 ₽/шт
Комплект профиля козырькового анодированного, для стекла 20 мм (10+10 мм), 3000 мм k300-20-3000

Зацените наш новый каталог "Фурнитура для козырьков и спайдерные системы"

Скачать →
Фурнитура для козырьков и спайдерные системы
(обновление 12.11.2018, версия 4.20)

Посмотрите видео с испытанием спайдеров: 


Проконсультируйтесь с менеджером по вопросу оказания услуг в городах Краснодарского края: Новороссийск, Горячий Ключ, Анапа, Туапсе, Крымск, Абинск, Белореченск, Славянск-на-Кубани, Кореновск, Армавир, Тимашёвск, Лабинск, Хадыженск, Гулькевичи, Апшеронск, Приморско-Ахтарск, Геленджик, Темрюк, Кропоткин, Ейск, Сочи, Усть-Лабинск, Курганинск, Тихорецк, Новокубанск.
Наш Telegram-канал
Эксклюзивные акции и скидки только для подписчиков: не упусти выгоду!
Перейти на наш канал
Подпишись на наш Telegram-канал
Эксклюзивные акции и скидки только для подписчиков: не упусти выгоду!